聯系熱線
美國2B 160-W水中臭氧檢測儀如何設置校準參數 儀器在工廠進行校準,將斜率(S)和偏移量(Z)參數輸入儀器的存儲器。這些預設的校準參數在儀器的出生證明上給出,并記錄在儀器箱上的校

美國2B 106臭氧檢測儀如何設置時間和日期 任何設備都會出現時間出錯的情況,一般可能是時間電池引起的,更換電池好,重新調節時間即可 美國2B 臭氧檢測儀 時間和日期在哪里調節呢

美國2B 306 型臭氧校準儀如何安裝 1 典型安裝:從 306 型連接到設備繪圖流程 306 型通常用于校準 臭氧監測儀 ,或為另一種從校準儀抽取流量的設備提供已知的臭氧濃度。 306 型專為此類

106-L臭氧分析儀如何設置數據導出 數據可以記錄在內部數據記錄器中。 多達 32,736 條數據線,包括對數、臭氧混合比、內部(電池)溫度、內部(電池)壓力、流速、光電二極管電壓、

美國2B 106型臭氧檢測儀如何使用菜單設置讀數次數 在不記錄的情況下平均數據 從主菜單中選擇平均可以選擇四種平均模式。 按住選擇開關以獲得主菜單。 選擇并單擊 Avg 以獲取 Avg 菜

美國2B 106-M臭氧分析儀自帶過濾器嗎 美國2B 型號106-M固件具有通過內置自適應過濾器采樣臭氧濃度數據的能力。默認情況下,此過濾器是關閉的。用戶可以選擇激活這個過濾器,它通過

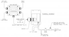
ATI Q46H/64 水中臭氧檢測儀三種安裝方式 ATI水中 臭氧檢測儀 ,常用的三種安裝方式如下: 標準體系 標準型號 Q46H/64 系統包括三個主要組件:Q46H 分析儀、恒壓頭流通池和臭氧傳感器。密

美國2B 306 臭氧標定源校準數據舉例 下圖是校準一臺Model 202 臭氧分析儀 獲得的數據,它以前已經被我們一臺可NIST溯源的儀器進行了校準,新的目標臭氧濃度每5分鐘被輸進本臭氧校準源

ATi 的 Q46H/64 溶解臭氧監測儀為水質監測和控制臭氧處理系統提供經濟可靠的測量系統。Q46H/64 具有多種輸出,包括 4-20 mA 模擬、PID 控制、三個可調繼電器和數字通信,適用于任何臭氧應
